EFU(超薄FFU)
产品特点
●超薄型,厚度仅有160-260mm
●优化设计,保证运行时低噪音
●结构可选内/外翻边,易安装、操作与维护
●现场手动/远程PC控制调速
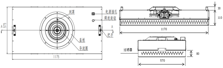
结构示意图

产品规格
名称 | EFU(超薄FFU) | ||
型号 | EFU.575×1175×110+30-3-0-GL08-1-0-H | ||
外尺寸(W×L×Hmm) | 575×575×110+30 | 575×1175×110+30 | 1175×1175×110+30 |
过滤器尺寸(mm) | 570×570×80 | 570×1170×80 | 1170×1170×80 |
风速(m/s) | 0.45±20% | ||
噪音dB(A) | ≤68 | ≤68 | ≤68 |
功率(W) | 150 | 150 | 280 |
总静压(pa) | 180-300 | ||
重量(kg) | 12 | 25 | 50 |
箱体材质 | 钢板烤漆、镀铝锌板、不锈钢、航空铝 | ||
滤料材质 | 超细玻璃纤维、PTFE | ||
过滤器级别 | H13、H14、U15、U16(EN1822) | ||
风机 | 后倾式离心风机 | ||
电机 | 外转子直流电机 | ||
保护方式 | 电机内置热过载保护装置 | ||
调速器 | 无极调速 | ||
控制方式 | 单控、群控 | ||
环境要求 | 温度-20℃--45℃、湿度≤80%RH | ||
电源 | 220V 50HZ | ||
Write your message here and send it to us











